- Jukebox onderdelen
- Jukeboxen
- Buizen
- Doosjes voor buizen
- Electroharmonix buizen
- Genalex Gold Lion buizen
- JJ buizen
- Jukebox buizen
- Mullard buizen
- Psvane
- Shuguang buizen
- Svetlana buizen
- Sovtek buizen
- TAD buizen
- Tung-sol buizen
- Buizen overige merken
- Nixie buizen
- Gebruikte buizen
- Afscherming
- Anode kapjes
- Buisvoeten
- 4 polige buisvoeten
- 4 polige buisvoeten verguld
- 5 polige buisvoeten
- 5 polige buisvoeten verguld
- 6 polige buisvoeten
- 6 polige buisvoeten verguld
- 7 polige buisvoeten
- 7 polige buisvoeten verguld
- 8 polige buisvoeten
- 8 polige buisvoeten verguld
- 9 polige buisvoeten
- 9 polige buisvoeten verguld
- 10 polige buisvoeten
- 11 polige buisvoeten
- 12 polige buisvoeten
- 14 polige (nixie) buisvoeten
- Belton buisvoeten
- CMC buisvoeten
- Retainers (buishouders)
- Trillingsdempers
- Manuals
- Algemene onderdelen
- Luidsprekers
- Transformatoren
- Verlichting
- Neons
- Merchandise
- Buizenversterkers
- Naalden en elementen
- Condensatoren
- Weerstanden
- Halfgeleiders
- Gereedschap & onderhoud
- Bouwpakketten
- Gitaarversterkers
- HiFi
- Vinylhoezen & Onderhoud
- Vinyl
- OP=OP
- Nieuwe producten
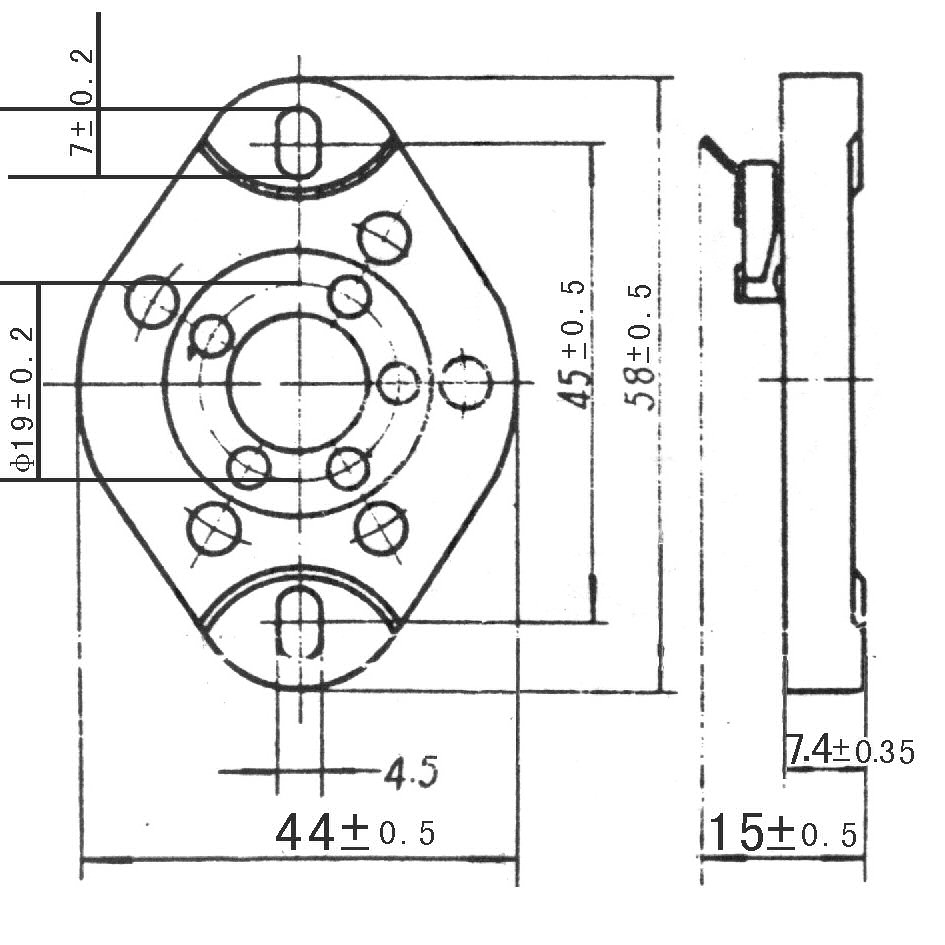
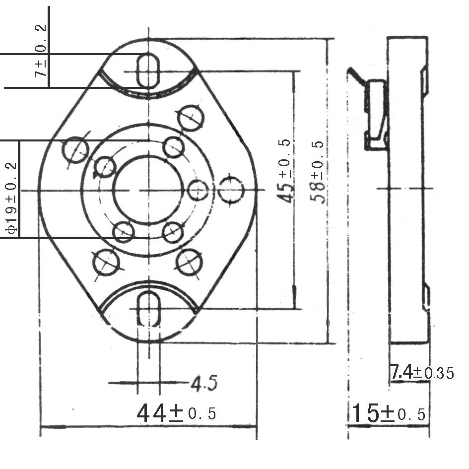
5 polige grote buisvoet keramisch verguld
terug naar categorie€ 5.00
Neem contact op voor de prijzen van dit product.
€ 4.13
excl. BTW
Neem contact op voor de prijzen van dit product.
Omschrijving
Keramisch materiaal met vergulde contacten voor b.v. de 807 buis.Reviews
Gemiddelde beoordeling: 5 / 5
Prima 'klassieke' buisvoet
★★★★★
Jan op 07-06-2020Degelijk, mooi afgewerkt en precies de juiste grip
op de buispinnen.
op de buispinnen.








